Артикул: 1169355

Раздел:Технические дисциплины (112852 шт.) >
  Теоретические основы электротехники (ТОЭ) (26497 шт.) >
  Цепи переменного синусоидального тока (7095 шт.)

Название или условие:
Задача 1
В схеме резонанс. R1=50; Xc = 60; XL = 30: U= 80.
Определить ∫, R2, Q.

Описание:
Подробное решение в WORD

Поисковые тэги: Резонанс в контурах

Изображение предварительного просмотра:

<b>Задача 1</b> <br />В схеме резонанс. R1=50; Xc = 60; XL = 30: <u>U</u>= 80. <br />Определить ∫, R2, Q.

Процесс покупки очень прост и состоит всего из пары действий:
1. После нажатия кнопки «Купить» вы перейдете на сайт платежной системы, где можете выбрать наиболее удобный для вас способ оплаты (банковские карты, электронные деньги, с баланса мобильного телефона, через банкоматы, терминалы, в салонах сотовой связи и множество других способов)
2. После успешной оплаты нажмите ссылку «Вернуться в магазин» и вы снова окажетесь на странице описания задачи, где вместо зеленой кнопки «Купить» будет синяя кнопка «Скачать»
3. Если вы оплатили, но по каким-то причинам не смогли скачать заказ (например, случайно закрылось окно), то просто сообщите нам на почту или в чате артикул задачи, способ и время оплаты и мы отправим вам файл.
Условия доставки:
Получение файла осуществляется самостоятельно по ссылке, которая генерируется после оплаты. В случае технических сбоев или ошибок можно обратиться к администраторам в чате или на электронную почту и файл будет вам отправлен.
Условия отказа от заказа:
Отказаться возможно в случае несоответсвия полученного файла его описанию на странице заказа.
Возврат денежных средств осуществляется администраторами сайта по заявке в чате или на электронной почте в течении суток.

Похожие задания:

Записать входное сопротивление двухполюсника, схема которого задана:
Напряжение изменяется по синусоидальному закону
u(t)=100sin(ωt+75°) В.
Определить действующее значение и начальную фазу напряжения.
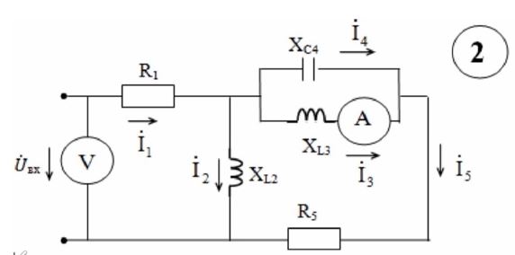
Чему равен фазовый угол в цепи синусоидального тока, содержащей последовательно соединенные R = 10 Ом и Xc = 15 Ом.Дано: R1 = XL2 = XL3 = XC4 = 10 Ом
I4 = 2ej0°A,
f = 50 Гц.
Найти:
1) Мгновенные значения всех токов;
2) Показания приборов;
3) Построить векторную диаграмму.

Определить ток I1.
Индивидуальная самостоятельная работа №3
Тема: Расчёт линейной электрической цепи однофазного синусоидального тока

Задание:
В соответствии с исходными данными (табл. 1) выполнить расчёт линейной электрической цепи однофазного синусоидального тока со смешанным соединением активных и реактивных элементов символическим методом (рис. 1), а именно:
1) составить схему замещения электрической цепи;
2) определить напряжения на всех участках цепи и на отдельных элементах, токи во всех ветвях схемы;
3) проверить правильность определения токов, используя первый закон Кирхгофа;
4) рассчитать полную мощность всей цепи и на отдельных ее участках;
5) составить баланс активных и реактивных мощностей;
6) построить в масштабе векторную диаграмму токов и напряжений в цепи.
Вариант 3

Дано: U = 20 В, R = 8 Ом, Xc = 6 Ом.
Определить показание амперметра, построить векторную диаграмму.

Индивидуальная самостоятельная работа №3
Тема: Расчёт линейной электрической цепи однофазного синусоидального тока
Задание:

В соответствии с исходными данными (табл. 1) выполнить расчёт линейной электрической цепи однофазного синусоидального тока со смешанным соединением активных и реактивных элементов символическим методом (рис. 1), а именно:
1) составить схему замещения электрической цепи;
2) определить напряжения на всех участках цепи и на отдельных элементах, токи во всех ветвях схемы;
3) проверить правильность определения токов, используя первый закон Кирхгофа;
4) рассчитать полную мощность всей цепи и на отдельных ее участках;
5) составить баланс активных и реактивных мощностей;
6) построить в масштабе векторную диаграмму токов и напряжений в цепи.
Вариант 19

Записать в комплексной форме заданное синусоидальное напряжение
u(t)=141sin(1000t+90°) В.
Задача 2
В схеме резонанс. R = 5; XL = 5; I2 = 8.
Определить Xc, I, U.