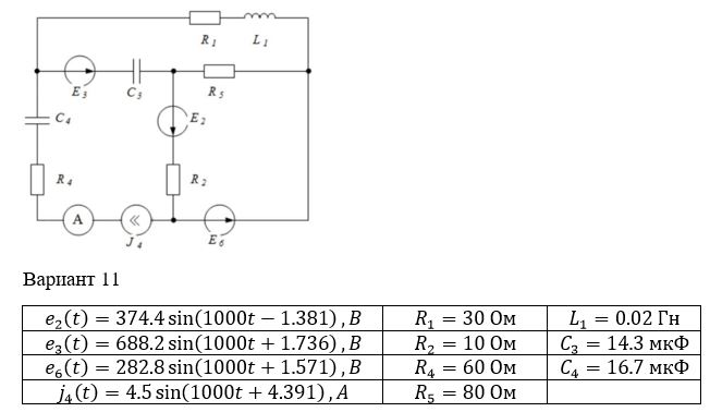
ДОМАШНЕЕ ЗАДАНИЕ №1 «МЕТОДЫ АНАЛИЗА ЛИНЕЙНЫХ РАХВЕТВЛЕННЫХ ЭЛЕКТРИЧЕСКИХ ЦЕПЕЙ ПРИ СИНУСОИДАЛЬНЫХ ВОЗДЕЙСТВИЯХ» Задание: 1. Изобразить комплексную схему замещения заданной электрической цепи. 2. Записать по законам Кирхгофа систему уравнений для определения неизвестных токов в ветвях электрической цепи. Внимание!!! Уравнения по законам Кирхгофа не решать. Достаточно только записать их. 3. Рассчитать неизвестные токи в заданной схеме методом контурных токов и методом узловых потенциалов. Сравнить результаты. 4. Определить неизвестный ток в одной из ветвей (по выбору студента) методом эквивалентного генератора. Внимание!!! Следуем выбирать ветвь без источников ЭДС и тока. 5. Построить векторную диаграмму токов и топографическую диаграмму напряжений. Диаграммы должны быть построены в одних осях. 6. Определить напряжение на источнике тока. 7. Провести проверку баланса мощностей для активных, реактивных и полных мощностей. Вариант 11
 | Дано: R1 = 20 Ом, R2 = 30 Ом, L = 5 мГн, C = 7 мкФ. i=3sin(100t+45°) Найти: uC(t) = ? iR2(t) = ? (Получить закон изменения величины со временем)
 |