Артикул: 1169609

Раздел:Технические дисциплины (113106 шт.) >
  Электроника (в т.ч. микроэлектроника и схемотехника) (4564 шт.)

Название или условие:
1. Определить характеристики транзистора по справочной литературе.
2. Нарисовать схему в соответствии с типом транзистора.
3. Представить справочные данные транзистора в табличной форме.
4. Рассчитать номиналы резисторов и входное напряжение (Uвх), которое нужно подать на схему, чтобы обеспечить заданное напряжение на выходе (для вариантов «а»,«в»–Uвых а, в, для вариантов «б»,«г»–Uвых б, г).
5. Сделать выводы.
Вариант 9в ( П308 )

Описание:
Подробное решение в WORD

Изображение предварительного просмотра:

1.	Определить характеристики транзистора по справочной литературе. <br />2.	Нарисовать схему в соответствии с типом транзистора. <br />3.	Представить справочные данные транзистора в табличной форме. <br />4.	 Рассчитать номиналы резисторов и входное  напряжение (Uвх), которое нужно подать на схему, чтобы обеспечить заданное напряжение на выходе (для вариантов «а»,«в»–Uвых а, в, для вариантов «б»,«г»–Uвых б, г). <br />5.	Сделать выводы.<br /><b>Вариант 9в ( П308 )</b>

Процесс покупки очень прост и состоит всего из пары действий:
1. После нажатия кнопки «Купить» вы перейдете на сайт платежной системы, где можете выбрать наиболее удобный для вас способ оплаты (банковские карты, электронные деньги, с баланса мобильного телефона, через банкоматы, терминалы, в салонах сотовой связи и множество других способов)
2. После успешной оплаты нажмите ссылку «Вернуться в магазин» и вы снова окажетесь на странице описания задачи, где вместо зеленой кнопки «Купить» будет синяя кнопка «Скачать»
3. Если вы оплатили, но по каким-то причинам не смогли скачать заказ (например, случайно закрылось окно), то просто сообщите нам на почту или в чате артикул задачи, способ и время оплаты и мы отправим вам файл.
Условия доставки:
Получение файла осуществляется самостоятельно по ссылке, которая генерируется после оплаты. В случае технических сбоев или ошибок можно обратиться к администраторам в чате или на электронную почту и файл будет вам отправлен.
Условия отказа от заказа:
Отказаться возможно в случае несоответсвия полученного файла его описанию на странице заказа.
Возврат денежных средств осуществляется администраторами сайта по заявке в чате или на электронной почте в течении суток.

Похожие задания:

Домашняя работа №1. Расчет схем с полупроводниковыми диодами
1. Нарисовать расчетную схему.
2. Обозначить все токи в ветвях схемы и потенциалы узлов. Направления токов выбрать совпадающими с проводящим состоянием диодов.
3. Составить систему уравнений в соответствии с законами Кирхгофа для всех узлов и контуров схемы.
4. Решить систему уравнений любым известным методом.
5. Проанализировать полученные результаты. Если в результате расчетов ток, протекающий через какой-либо из диодов схемы, получился отрицательным, то сделать вывод о несоответствии решения и описания диода. В этом случае ток через диод следует принять равным нулю, преобразовать систему уравнений и решить её вновь.
Выбрать произвольный выпрямительный диод из справочника (по максимальному току для выбранной схемы), рассчитать напряжения и токи в различных ветвях электронной схемы для него и простейшей модели диода.
Вариант 17
Дано Рисунок: д)
U1=10 В;
U2=11 В;
R1=7 кОм;
R2=20 кОм;
R3=13 кОм;

Расчет диодных и транзисторных ключей
Задача 2

1. Определить характеристики транзистора по справочной литературе.
2. Нарисовать схему в соответствии с типом транзистора.
3. Представить справочные данные транзистора в табличной форме.
4. Рассчитать номиналы резисторов и входное напряжение (Uвх), которое нужно подать на схему, чтобы обеспечить заданное напряжение на выходе (для вариантов «а», «в» - Uвых а, в, для вариантов «б», «г» - Uвых б, г).
5. Сделать выводы.
Вариант 2а

Домашняя работа №1. Расчет схем с полупроводниковыми диодами
1. Нарисовать расчетную схему.
2. Обозначить все токи в ветвях схемы и потенциалы узлов. Направления токов выбрать совпадающими с проводящим состоянием диодов.
3. Составить систему уравнений в соответствии с законами Кирхгофа для всех узлов и контуров схемы.
4. Решить систему уравнений любым известным методом.
5. Проанализировать полученные результаты. Если в результате расчетов ток, протекающий через какой-либо из диодов схемы, получился отрицательным, то сделать вывод о несоответствии решения и описания диода. В этом случае ток через диод следует принять равным нулю, преобразовать систему уравнений и решить её вновь.
Выбрать произвольный выпрямительный диод из справочника (по максимальному току для выбранной схемы), рассчитать напряжения и токи в различных ветвях электронной схемы для него и простейшей модели диода.
Вариант 21
Дано Рисунок: и)
U1=11 В;
U2=10 В;
R1=8 кОм;
R2=24 кОм;
R3=9 кОм;

Домашнее задание № 1
Расчет диодных и транзисторных ключей
Задача 1

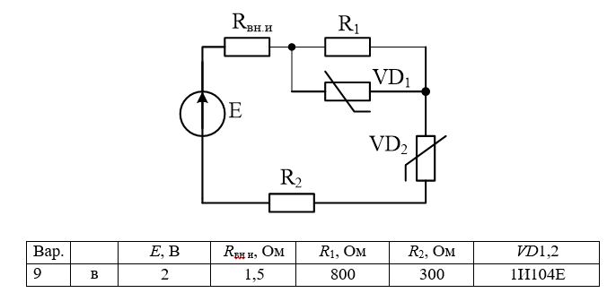
1. Определить типы нелинейных элементов (НЭ) по справочной литературе.
2. Нарисовать схему в соответствии с обозначением по ГОСТ для заданного типа НЭ (с учетом обратного включения стабилитронов и обращенных диодов).
3. Представить справочные данные НЭ в табличной форме.
4. Построить ВАХ НЭ.
5. Рассчитать токи в схеме и напряжение на НЭ.
6. Сделать выводы. Номиналы резисторов, источников тока и напряжения и тип НЭ заданы в таблице.
Вариант 9в ( 1И104Е )

Домашнее задание № 1
Расчет диодных и транзисторных ключей
Задача 1

1. Определить типы нелинейных элементов (НЭ) по справочной литературе.
2. Нарисовать схему в соответствии с обозначением по ГОСТ для заданного типа НЭ (с учетом обратного включения стабилитронов и обращенных диодов).
3. Представить справочные данные НЭ в табличной форме.
4. Построить ВАХ НЭ.
5. Рассчитать токи в схеме и напряжение на НЭ.
6. Сделать выводы.
Вариант 7В ( КД270Г )

Домашняя работа №1. Расчет схем с полупроводниковыми диодами
1. Нарисовать расчетную схему.
2. Обозначить все токи в ветвях схемы и потенциалы узлов. Направления токов выбрать совпадающими с проводящим состоянием диодов.
3. Составить систему уравнений в соответствии с законами Кирхгофа для всех узлов и контуров схемы.
4. Решить систему уравнений любым известным методом.
5. Проанализировать полученные результаты. Если в результате расчетов ток, протекающий через какой-либо из диодов схемы, получился отрицательным, то сделать вывод о несоответствии решения и описания диода. В этом случае ток через диод следует принять равным нулю, преобразовать систему уравнений и решить её вновь.
Выбрать произвольный выпрямительный диод из справочника (по максимальному току для выбранной схемы), рассчитать напряжения и токи в различных ветвях электронной схемы для него и простейшей модели диода.
Вариант 9
Дано Рисунок: и)
U1=7 В;
U2=13 В;
R1=5 кОм;
R2=28 кОм;
R3=5 кОм;

Задача 41. Определить период Т, длительность импульса tи и паузы tп, если частота следования импульсов f = 10 кГц, а скважность Q = 10.Домашняя работа №1. Расчет схем с полупроводниковыми диодами
1. Нарисовать расчетную схему.
2. Обозначить все токи в ветвях схемы и потенциалы узлов. Направления токов выбрать совпадающими с проводящим состоянием диодов.
3. Составить систему уравнений в соответствии с законами Кирхгофа для всех узлов и контуров схемы.
4. Решить систему уравнений любым известным методом.
5. Проанализировать полученные результаты. Если в результате расчетов ток, протекающий через какой-либо из диодов схемы, получился отрицательным, то сделать вывод о несоответствии решения и описания диода. В этом случае ток через диод следует принять равным нулю, преобразовать систему уравнений и решить её вновь.
Выбрать произвольный выпрямительный диод из справочника (по максимальному току для выбранной схемы), рассчитать напряжения и токи в различных ветвях электронной схемы для него и простейшей модели диода.
Вариант 14
Дано Рисунок: б)
U1=9 В;
U2=12 В;
R1=6 кОм;
R2=17 кОм;
R3=16 кОм;

Домашняя работа №1. Расчет схем с полупроводниковыми диодами
1. Нарисовать расчетную схему.
2. Обозначить все токи в ветвях схемы и потенциалы узлов. Направления токов выбрать совпадающими с проводящим состоянием диодов.
3. Составить систему уравнений в соответствии с законами Кирхгофа для всех узлов и контуров схемы.
4. Решить систему уравнений любым известным методом.
5. Проанализировать полученные результаты. Если в результате расчетов ток, протекающий через какой-либо из диодов схемы, получился отрицательным, то сделать вывод о несоответствии решения и описания диода. В этом случае ток через диод следует принять равным нулю, преобразовать систему уравнений и решить её вновь.
Выбрать произвольный выпрямительный диод из справочника (по максимальному току для выбранной схемы), рассчитать напряжения и токи в различных ветвях электронной схемы для него и простейшей модели диода.
Вариант 16
Дано Рисунок: г
U1=10 В;
U2=12 В;
R1=7 кОм;
R2=19 кОм;
R3=14 кОм;

Задача 1.1. Определить сопротивление постоянному току при обратном включении для напряжений Uобр= - 25; -50; -100 (В). Построить график зависимости R0=f(Uобр)