Артикул №1169613
Технические дисциплины >
  Электроника (в т.ч. микроэлектроника и схемотехника) >
  Транзисторные каскады

(Добавлено: 06.11.2025)
Задача 2. Определить токи транзистора IБ, IЭ, IК и напряжения на его зажимах UБ,UЭ,UК относительно общей шины (φ=0)
Вариант 12
Дано
Rк=10 кОм;
Rэ=7 кОм;
V=20 В;
Uб=8 В;

Задача 2. Определить токи транзистора IБ, IЭ, IК и напряжения на его зажимах UБ,UЭ,UК относительно общей шины (φ=0) <br /><b>Вариант 12</b><br />Дано <br />Rк=10 кОм; <br />Rэ=7 кОм; <br />V=20 В; <br />Uб=8 В;


Артикул №1169612
Технические дисциплины >
  Электроника (в т.ч. микроэлектроника и схемотехника)

(Добавлено: 06.11.2025)
Задача 1.3
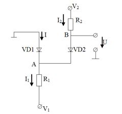
Полагая диоды идеальными (напряжение на открытом диоде равно нулю, а сопротивление в запертом состоянии равно бесконечности), найти значение тока I и U для цепи.
Вариант 12
Дано
R1=10 кОм;
R2=7 кОм;
V1=-10 В;
V2=+20 В;

<b>Задача 1.3</b> <br />Полагая диоды идеальными (напряжение на открытом диоде равно нулю, а сопротивление в запертом состоянии равно бесконечности), найти значение тока I и U для цепи. <br /><b>Вариант 12</b>  <br />Дано <br />R1=10 кОм; <br />R2=7 кОм; <br />V1=-10 В; <br />V2=+20 В;


Артикул №1169609
Технические дисциплины >
  Электроника (в т.ч. микроэлектроника и схемотехника)

(Добавлено: 02.11.2025)
1. Определить характеристики транзистора по справочной литературе.
2. Нарисовать схему в соответствии с типом транзистора.
3. Представить справочные данные транзистора в табличной форме.
4. Рассчитать номиналы резисторов и входное напряжение (Uвх), которое нужно подать на схему, чтобы обеспечить заданное напряжение на выходе (для вариантов «а»,«в»–Uвых а, в, для вариантов «б»,«г»–Uвых б, г).
5. Сделать выводы.
Вариант 9в ( П308 )

1.	Определить характеристики транзистора по справочной литературе. <br />2.	Нарисовать схему в соответствии с типом транзистора. <br />3.	Представить справочные данные транзистора в табличной форме. <br />4.	 Рассчитать номиналы резисторов и входное  напряжение (Uвх), которое нужно подать на схему, чтобы обеспечить заданное напряжение на выходе (для вариантов «а»,«в»–Uвых а, в, для вариантов «б»,«г»–Uвых б, г). <br />5.	Сделать выводы.<br /><b>Вариант 9в ( П308 )</b>


Артикул №1169608
Технические дисциплины >
  Электроника (в т.ч. микроэлектроника и схемотехника)

(Добавлено: 02.11.2025)
Домашнее задание № 1
Расчет диодных и транзисторных ключей
Задача 1

1. Определить типы нелинейных элементов (НЭ) по справочной литературе.
2. Нарисовать схему в соответствии с обозначением по ГОСТ для заданного типа НЭ (с учетом обратного включения стабилитронов и обращенных диодов).
3. Представить справочные данные НЭ в табличной форме.
4. Построить ВАХ НЭ.
5. Рассчитать токи в схеме и напряжение на НЭ.
6. Сделать выводы. Номиналы резисторов, источников тока и напряжения и тип НЭ заданы в таблице.
Вариант 9в ( 1И104Е )

<b>Домашнее задание № 1<br /> Расчет диодных и транзисторных ключей  <br />Задача 1 </b><br />1.	Определить типы нелинейных элементов (НЭ) по справочной литературе. <br />2.	Нарисовать схему в соответствии с обозначением по ГОСТ для заданного типа НЭ (с учетом обратного включения стабилитронов и обращенных диодов). <br />3.	Представить справочные данные НЭ в табличной форме. <br />4.	Построить ВАХ НЭ. <br />5.	 Рассчитать токи в схеме и напряжение на НЭ. <br />6.	Сделать выводы.  Номиналы резисторов, источников тока и напряжения и тип НЭ заданы в таблице.<br /><b>Вариант 9в ( 1И104Е )</b>


Артикул №1169605
Технические дисциплины >
  Электроника (в т.ч. микроэлектроника и схемотехника)

(Добавлено: 02.11.2025)
Задача 1.1. Определить сопротивление постоянному току при обратном включении для напряжений Uобр= - 25; -50; -100 (В). Построить график зависимости R0=f(Uобр)
<b>Задача 1.1.</b> Определить сопротивление постоянному току при обратном включении для напряжений Uобр= - 25; -50; -100 (В). Построить график зависимости R<sub>0</sub>=f(U<sub>обр</sub>)


Артикул №1169604
Технические дисциплины >
  Электроника (в т.ч. микроэлектроника и схемотехника) >
  Транзисторные каскады

(Добавлено: 02.11.2025)
Задача 2. Определить токи транзистора IБ, IЭ, IК и напряжения на его зажимах UБ,UЭ,UК относительно общей шины (φ=0)
Вариант 13
Дано
Rк=2,35 кОм;
Rэ=1,65 кОм;
V=20 В;
Uб=10 В;

Задача 2. Определить токи транзистора IБ, IЭ, IК и напряжения на его зажимах UБ,UЭ,UК относительно общей шины (φ=0) <br /><b>Вариант 13</b><br />Дано <br />Rк=2,35 кОм; <br />Rэ=1,65 кОм; <br />V=20 В; <br />Uб=10 В;


Артикул №1169578
Технические дисциплины >
  Электроника (в т.ч. микроэлектроника и схемотехника)

(Добавлено: 26.10.2025)
1. Определить характеристики транзистора по справочной литературе.
2. Нарисовать схему в соответствии с типом транзистора.
3. Представить справочные данные транзистора в табличной форме.
4. Рассчитать номиналы резисторов и входное напряжение (Uвх), которое нужно подать на схему, чтобы обеспечить заданное напряжение на выходе (для вариантов «а»,«в»–Uвых а, в, для вариантов «б»,«г»–Uвых б, г).
5. Сделать выводы.
Вариант 8в (МП20)

1.	Определить характеристики транзистора по справочной литературе. <br />2.	Нарисовать схему в соответствии с типом транзистора. <br />3.	Представить справочные данные транзистора в табличной форме. <br />4.	 Рассчитать номиналы резисторов и входное  напряжение (Uвх), которое нужно подать на схему, чтобы обеспечить заданное напряжение на выходе (для вариантов «а»,«в»–Uвых а, в, для вариантов «б»,«г»–Uвых б, г). <br />5.	Сделать выводы.<br /><b>Вариант 8в (МП20)</b>


Артикул №1169577
Технические дисциплины >
  Электроника (в т.ч. микроэлектроника и схемотехника)

(Добавлено: 26.10.2025)
Домашнее задание № 1
Расчет диодных и транзисторных ключей
Задача 1

1. Определить типы нелинейных элементов (НЭ) по справочной литературе.
2. Нарисовать схему в соответствии с обозначением по ГОСТ для заданного типа НЭ (с учетом обратного включения стабилитронов и обращенных диодов).
3. Представить справочные данные НЭ в табличной форме.
4. Построить ВАХ НЭ.
5. Рассчитать токи в схеме и напряжение на НЭ.
6. Сделать выводы. Номиналы резисторов, источников тока и напряжения и тип НЭ заданы в таблице.
Вариант 8в (КИПД17Б-Л)

<b>Домашнее задание № 1<br /> Расчет диодных и транзисторных ключей  <br />Задача 1 </b><br />1.	Определить типы нелинейных элементов (НЭ) по справочной литературе. <br />2.	Нарисовать схему в соответствии с обозначением по ГОСТ для заданного типа НЭ (с учетом обратного включения стабилитронов и обращенных диодов). <br />3.	Представить справочные данные НЭ в табличной форме. <br />4.	Построить ВАХ НЭ. <br />5.	 Рассчитать токи в схеме и напряжение на НЭ. <br />6.	Сделать выводы.  Номиналы резисторов, источников тока и напряжения и тип НЭ заданы в таблице.<br /><b>Вариант 8в (КИПД17Б-Л)</b>


Артикул №1169566
Технические дисциплины >
  Электроника (в т.ч. микроэлектроника и схемотехника)

(Добавлено: 24.10.2025)
Домашнее задание № 1
Расчет диодных и транзисторных ключей
Задача 1

1. Определить типы нелинейных элементов (НЭ) по справочной литературе.
2. Нарисовать схему в соответствии с обозначением по ГОСТ для заданного типа НЭ (с учетом обратного включения стабилитронов и обращенных диодов).
3. Представить справочные данные НЭ в табличной форме.
4. Построить ВАХ НЭ.
5. Рассчитать токи в схеме и напряжение на НЭ.
6. Сделать выводы.
Вариант 4В ( ГИ103Б )

<b>Домашнее задание № 1 <br />Расчет диодных и транзисторных ключей<br />  Задача 1</b> <br />1.	Определить типы нелинейных элементов (НЭ) по справочной литературе. <br />2.	Нарисовать схему в соответствии с обозначением по ГОСТ для заданного типа НЭ (с учетом обратного включения стабилитронов и обращенных диодов). <br />3.	Представить справочные данные НЭ в табличной форме. <br />4.	Построить ВАХ НЭ. <br />5.	 Рассчитать токи в схеме и напряжение на НЭ. <br />6.	Сделать выводы.<br /><b>Вариант 4В ( ГИ103Б )</b>


Артикул №1169565
Технические дисциплины >
  Электроника (в т.ч. микроэлектроника и схемотехника) >
  Операционные усилители (ОУ)

(Добавлено: 24.10.2025)
Для заданной схемы электрической цепи аналитически найти:
а) операторную функцию передачи;
б) амплитудно-частотную характеристику;
в) фазо-частотную характеристику;
г) переходную характеристику.
При заданных параметрах цепи рассчитать и построить амплитудно-частотную, фазо-частотную и переходную характеристики.
Рисунок 5 данные 4
Дано: Шифр цепи ПФ/ОС/ 8,75/0,09
R = 2.0 кОм
C = 9,1 нФ
R5/R6 = 1.91

Для заданной схемы электрической цепи аналитически найти: <br />а) операторную функцию передачи; <br />б) амплитудно-частотную характеристику; <br />в) фазо-частотную характеристику; <br />г) переходную характеристику. <br />При заданных параметрах цепи рассчитать и построить амплитудно-частотную, фазо-частотную и переходную характеристики. <br /><b>Рисунок 5 данные 4</b>   <br />Дано:  Шифр цепи ПФ/ОС/ 8,75/0,09 <br />R = 2.0 кОм <br />C = 9,1 нФ <br />R5/R6 = 1.91


Артикул №1169564
Технические дисциплины >
  Электроника (в т.ч. микроэлектроника и схемотехника) >
  Транзисторные каскады

(Добавлено: 24.10.2025)
3адача 3.6. Резисторный усилитель собран на транзисторе КТ216А по схеме рис. 2.3. Рассчитать сопротивления Rб1 и Rб2, обеспечивающие точку покоя с параметрами Uбэп = 0,7 В; Uкэп = 25 В. Известно, что ток через сопротивление Rб1 в режиме покоя в 6 раз больше тока Iбп, Uп = 40 В, а Rэ = 100 Ом. Характеристики транзистора приведены в приложении на рис. П.4.
<b>3адача 3.6.</b> Резисторный усилитель собран на транзисторе КТ216А по схеме рис. 2.3. Рассчитать сопротивления Rб1 и Rб2, обеспечивающие точку покоя с параметрами Uбэп = 0,7 В; Uкэп = 25 В. Известно, что ток через сопротивление Rб1 в режиме покоя в 6 раз больше тока Iбп, Uп = 40 В, а Rэ = 100 Ом. Характеристики транзистора приведены в приложении на рис. П.4.


Артикул №1169563
Технические дисциплины >
  Электроника (в т.ч. микроэлектроника и схемотехника) >
  Транзисторные каскады

(Добавлено: 24.10.2025)
Задача 2. Определить токи транзистора IБ, IЭ, IК и напряжения на его зажимах UБ,UЭ,UК относительно общей шины (φ=0)
Вариант 6
Дано
Rк=2,35 кОм;
Rэ=1,65 кОм;
V=20 В;
Uб=8 В;

Задача 2. Определить токи транзистора IБ, IЭ, IК и напряжения на его зажимах UБ,UЭ,UК относительно общей шины (φ=0) <br /><b>Вариант 6</b><br />Дано <br />Rк=2,35 кОм; <br />Rэ=1,65 кОм; <br />V=20 В; <br />Uб=8 В;


Артикул №1169562
Технические дисциплины >
  Электроника (в т.ч. микроэлектроника и схемотехника)

(Добавлено: 24.10.2025)
Домашнее задание № 1
Расчет диодных и транзисторных ключей
Задача 1

1. Определить типы нелинейных элементов (НЭ) по справочной литературе.
2. Нарисовать схему в соответствии с обозначением по ГОСТ для заданного типа НЭ (с учетом обратного включения стабилитронов и обращенных диодов).
3. Представить справочные данные НЭ в табличной форме.
4. Построить ВАХ НЭ.
5. Рассчитать токи в схеме и напряжение на НЭ.
6. Сделать выводы.
Вариант 7В ( КД270Г )

<b>Домашнее задание № 1 <br />Расчет диодных и транзисторных ключей<br />  Задача 1</b> <br />1.	Определить типы нелинейных элементов (НЭ) по справочной литературе. <br />2.	Нарисовать схему в соответствии с обозначением по ГОСТ для заданного типа НЭ (с учетом обратного включения стабилитронов и обращенных диодов). <br />3.	Представить справочные данные НЭ в табличной форме. <br />4.	Построить ВАХ НЭ. <br />5.	 Рассчитать токи в схеме и напряжение на НЭ. <br />6.	Сделать выводы.<br /><b>Вариант 7В ( КД270Г )</b>


Артикул №1169561
Технические дисциплины >
  Электроника (в т.ч. микроэлектроника и схемотехника) >
  Транзисторные каскады

(Добавлено: 24.10.2025)
1. Определить характеристики транзистора по справочной литературе.
2. Нарисовать схему в соответствии с типом транзистора.
3. Представить справочные данные транзистора в табличной форме.
4. Рассчитать номиналы резисторов и входное напряжение (Uвх), которое нужно подать на схему, чтобы обеспечить заданное напряжение на выходе (для вариантов «а»,«в»–Uвых а, в, для вариантов «б»,«г»–Uвых б, г).
5. Сделать выводы.
Вариант 16В (транзистор 2T392A-2)

1.	Определить характеристики транзистора по справочной литературе. <br />2.	Нарисовать схему в соответствии с типом транзистора. <br />3.	Представить справочные данные транзистора в табличной форме. <br />4.	 Рассчитать номиналы резисторов и входное  напряжение (Uвх), которое нужно подать на схему, чтобы обеспечить заданное напряжение на выходе (для вариантов «а»,«в»–Uвых а, в, для вариантов «б»,«г»–Uвых б, г). <br />5.	Сделать выводы.<br /><b>Вариант 16В (транзистор 2T392A-2)</b>


Артикул №1169553
Технические дисциплины >
  Электроника (в т.ч. микроэлектроника и схемотехника) >
  Транзисторные каскады

(Добавлено: 22.10.2025)
Расчет диодных и транзисторных цепей
Задача 2

1. Определить характеристики транзистора по справочной литературе.
2. Нарисовать схему в соответствии с типом транзистора.
3. Представить справочные данные транзистора в табличной форме.
4. Рассчитать номиналы резисторов и входное напряжение (Uвх), которое нужно подать на схему, чтобы обеспечить заданное напряжение на выходе (для вариантов «а»,«в»–Uвых а, в, для вариантов «б»,«г»–Uвых б, г).
5. Сделать выводы.
Вариант 3в (транзистор М5А)

<b>Расчет диодных и транзисторных цепей  <br />Задача 2</b> <br />1.	Определить характеристики транзистора по справочной литературе. <br />2.	Нарисовать схему в соответствии с типом транзистора. <br />3.	Представить справочные данные транзистора в табличной форме. <br />4.	 Рассчитать номиналы резисторов и входное  напряжение (Uвх), которое нужно подать на схему, чтобы обеспечить заданное напряжение на выходе (для вариантов «а»,«в»–Uвых а, в, для вариантов «б»,«г»–Uвых б, г). <br />5.	Сделать выводы.<br /><b>Вариант 3в (транзистор М5А)</b>


Артикул №1169550
Технические дисциплины >
  Электроника (в т.ч. микроэлектроника и схемотехника) >
  Схемотехника

(Добавлено: 22.10.2025)
Курсовая работа по курсу "Цифровые автоматы"
ЗАДАНИЕ
Повторить устройство для преобразования последовательного двоично-десятичного кода x=(x3, x2, x1, x0), соответствующего десятичным цифрам 0, 1, 2, 3, .. 9, который подается на вход устройства, в последовательный двоично-десятичный код z=(z3, z2, z1, z0).
Вариант 57

<b>Курсовая работа по курсу "Цифровые автоматы"</b><br />ЗАДАНИЕ <br />Повторить устройство для преобразования последовательного двоично-десятичного кода x=(x3, x2, x1, x0), соответствующего десятичным цифрам  0, 1, 2, 3, .. 9, который подается на вход устройства, в последовательный двоично-десятичный код z=(z3, z2, z1, z0).<br /><b>Вариант 57</b>


Артикул №1169533
Технические дисциплины >
  Электроника (в т.ч. микроэлектроника и схемотехника) >
  Транзисторные каскады

(Добавлено: 13.10.2025)
1. Нарисовать схему каскада.
2. Используя выходные вольтамперные характеристики транзистора, для заданного варианта построить две линии нагрузки (для заданного R2 и для R2 = 0, в последнем случае линия нагрузки параллельна оси тока Iк). В соответствии с точками пересечений нагрузочных линий и выходных характеристик построить две характеристики прямой передачи по току Iк = f(Iб) при R2 = 0 и при заданном R2. Определить область линейного усиления.
3. Выбрать рабочую точку покоя для классов А, В, D; по характеристикам определить токи Iкр, Iбр и напряжение Uкр в рабочей точке покоя P.
4. По заданным временным диаграммам переменной составляющей тока базы iб(t) (см. рис. 2) построить временные диаграммы тока коллектора iк(t) и напряжения uк(t). Для классов А и В определить максимальную амплитуду неискаженного синусоидального выходного сигнала, а для класса D максимальную амплитуду прямоугольных выходных импульсов.
5. Посчитать средние за период потери в классе А и классе D. Сравнить, сделать вывод.
Вариант 6
Дано
U2=9 В;
R2=1 кОм;
f=0,7 кГц

1.  Нарисовать схему каскада. <br />2.  Используя выходные вольтамперные характеристики транзистора, для заданного варианта построить две линии нагрузки (для заданного R2 и для R2 = 0, в последнем случае линия нагрузки параллельна оси тока Iк). В соответствии с точками пересечений нагрузочных линий и выходных характеристик построить две характеристики прямой передачи по току Iк = f(Iб) при R2 = 0 и при заданном R2. Определить область линейного усиления. <br />3.  Выбрать рабочую точку покоя для классов А, В, D; по характеристикам определить токи Iкр, Iбр и напряжение Uкр в рабочей точке покоя P. <br />4.  По заданным временным диаграммам переменной составляющей тока базы iб(t) (см. рис. 2) построить временные диаграммы тока коллектора iк(t) и напряжения uк(t). Для классов А и В определить максимальную амплитуду неискаженного синусоидального выходного сигнала, а для класса D максимальную амплитуду прямоугольных выходных импульсов. <br />5.  Посчитать средние за период потери в классе А и классе D. Сравнить, сделать вывод. <br /><b>Вариант 6</b><br />Дано <br />U2=9 В; <br />R2=1 кОм; <br />f=0,7 кГц


Артикул №1169518
Технические дисциплины >
  Электроника (в т.ч. микроэлектроника и схемотехника) >
  Транзисторные каскады

(Добавлено: 09.10.2025)
Построить зависимость uвых(t) усилительного каскада с общим эмиттером и определить коэффициент усиления по напряжению.
Вариант 4, N=11, M=4
Дано:
uвх (t)= (0,025•N)•sin(ωt)=0,025•11•sin⁡(ωt)=0,275•sin⁡(ωt) В;
Rк=0,195 кОм;
Eк=17,5 В;
Вид характеристики:1;
Iб0=600 мкА;
Номера вопросов:4,24;

Построить зависимость u<sub>вых</sub>(t) усилительного каскада с общим эмиттером и определить коэффициент усиления по напряжению. <br /><b>Вариант 4, N=11, M=4 </b> <br />Дано:<br />uвх (t)= (0,025•N)•sin(ωt)=0,025•11•sin⁡(ωt)=0,275•sin⁡(ωt)  В; <br />Rк=0,195 кОм; <br />Eк=17,5 В; <br />Вид характеристики:1; <br />Iб0=600 мкА; <br />Номера вопросов:4,24;


Артикул №1169496
Технические дисциплины >
  Электроника (в т.ч. микроэлектроника и схемотехника) >
  Транзисторные каскады

(Добавлено: 03.10.2025)
Построить зависимость uвых(t) усилительного каскада с общим эмиттером и определить коэффициент усиления по напряжению.
Вариант 4, N=2, M=4
Дано: uвх(t)= (0,025•N)•sin(ωt)=0,025•2•sin⁡(ωt)=0,05•sin⁡(ωt) В;
Rк=0,195 кОм;
Eк=17,5 В;
Вид характеристики:1;
Iб0=600 мкА;



Артикул №1169410
Технические дисциплины >
  Электроника (в т.ч. микроэлектроника и схемотехника) >
  Схемотехника

(Добавлено: 24.09.2025)
Расчет генератора пилообразных импульсов (Вариант 5)
Исходные данные:
1. Тип генератора: автоколебательный.
2. Форма импульса: пилообразная.
3. Длительность импульса tи, мс: 2-8.
4. Длительность паузы tп, мс: 2.
5. Амплитуда выходного сигнала Um, В: произвольная.
6. Сопротивление нагрузки Rн, кОм: 22.
7. Схема генератора: произвольная.
8. Полярность импульсов: положительная.



    Категории
    Заказ решения задач по ТОЭ и ОТЦ
    Заказ решения задач по Теоретической механике

    Студенческая база

    Наш сайт представляет из себя огромную базу выполненных заданий по разым учебным темам - от широкораспространенных до экзотических. Мы стараемся сделать так, чтобы большиство учеников и студентов смогли найти у нас ответы и подсказки на интересующие их темы. Каждый день мы закачиваем несколько десятков, а иногда и сотни новых файлов, а общее количество решений в нашей базе превышает 200000 работ (далеко не все из них еще размещены на сайте, но мы ежедневно над этим работаем). И не забывайте, что в любой большой базе данных умение правильно искать информацию - залог успеха, поэтому обязательно прочитайте раздел «Как искать», что сильно повысит Ваши шансы при поиске нужного решения.

    Мы в социальных сетях:


    Договор оферты