Артикул: 1168504

Раздел:Технические дисциплины (112002 шт.) >
  Теоретические основы электротехники (ТОЭ) (25797 шт.) >
  Переходные процессы (3684 шт.) >
  постоянный ток (2828 шт.) >
  второго рода (1412 шт.)

Название или условие:
Домашнее задание №2 по дисциплине «Электротехника»
«Анализ электромагнитных процессов в линейных электрических цепях во временной области»

Задание
1. Для заданной расчётной схемы замещения электрической цепи определить значения токов во всех ветвях и напряжений на всех пассивных элементах, а также их производных для моментов времени t=0- (ННУ), t=0+ (ЗНУ), t→∞ (установившийся режим).
При решении задачи должны быть приведены все необходимые расчётные схемы, записаны все уравнения в общем виде, а также приведены все этапы вычислений.
Результаты расчётов задачи занести в таблицу 1.
2. Для заданной расчётной схемы замещения электрической цепи определить законы изменения во времени токов и напряжений, указанных на схеме стрелками. Построить временные зависимости рассчитанных токов и напряжений.
3. Определить длительность (время) переходного процесса.
Вариант 6

Описание:
Подробное решение в WORD+файл MathCad+файл проверочного моделирования MicroCap

Поисковые тэги: Классический метод

Изображение предварительного просмотра:

<b>Домашнее задание №2 по дисциплине «Электротехника»<br /> «Анализ электромагнитных процессов в линейных электрических цепях во временной области»</b> <br /><b>Задание</b> <br />1. Для заданной расчётной схемы замещения электрической цепи определить значения токов во всех ветвях и напряжений на всех пассивных элементах, а также их производных для моментов времени t=0<sub>-</sub> (ННУ), t=0<sub>+</sub> (ЗНУ), t→∞ (установившийся режим). <br />При решении задачи должны быть приведены все необходимые расчётные схемы, записаны все уравнения в общем виде, а также приведены все этапы вычислений. <br />Результаты расчётов задачи занести в таблицу 1.<br />2. Для заданной расчётной схемы замещения электрической цепи определить законы изменения во времени токов и напряжений, указанных на схеме стрелками. Построить временные зависимости рассчитанных токов и напряжений. <br />3. Определить длительность (время) переходного процесса.<br /><b>Вариант 6</b>

Процесс покупки очень прост и состоит всего из пары действий:
1. После нажатия кнопки «Купить» вы перейдете на сайт платежной системы, где можете выбрать наиболее удобный для вас способ оплаты (банковские карты, электронные деньги, с баланса мобильного телефона, через банкоматы, терминалы, в салонах сотовой связи и множество других способов)
2. После успешной оплаты нажмите ссылку «Вернуться в магазин» и вы снова окажетесь на странице описания задачи, где вместо зеленой кнопки «Купить» будет синяя кнопка «Скачать»
3. Если вы оплатили, но по каким-то причинам не смогли скачать заказ (например, случайно закрылось окно), то просто сообщите нам на почту или в чате артикул задачи, способ и время оплаты и мы отправим вам файл.
Условия доставки:
Получение файла осуществляется самостоятельно по ссылке, которая генерируется после оплаты. В случае технических сбоев или ошибок можно обратиться к администраторам в чате или на электронную почту и файл будет вам отправлен.
Условия отказа от заказа:
Отказаться возможно в случае несоответсвия полученного файла его описанию на странице заказа.
Возврат денежных средств осуществляется администраторами сайта по заявке в чате или на электронной почте в течении суток.

Похожие задания:

Домашнее задание №2 по дисциплине «Электротехника»
«Анализ электромагнитных процессов в линейных электрических цепях во временной области»

Задание
1. Для заданной расчётной схемы замещения электрической цепи определить значения токов во всех ветвях и напряжений на всех пассивных элементах, а также их производных для моментов времени t=0- (ННУ), t=0+ (ЗНУ), t→∞ (установившийся режим).
При решении задачи должны быть приведены все необходимые расчётные схемы, записаны все уравнения в общем виде, а также приведены все этапы вычислений.
Результаты расчётов задачи занести в таблицу 1.
2. Для заданной расчётной схемы замещения электрической цепи определить законы изменения во времени токов и напряжений, указанных на схеме стрелками. Построить временные зависимости рассчитанных токов и напряжений.
3. Определить длительность (время) переходного процесса.
Вариант 15

Задача 1
Е1 = 100 [B]; E2 = 100 [B];
R1 = 200 [Ом]; R2 = 200 [Ом]
L = 40 [мГн]; C = 1 [мкФ]
Определить и построить i1(t), uC(t).

Задача 1
Е1 = 100 [B]; E2 = 100 [B];
R1 = 200 [Ом]; R2 = 200 [Ом]
L = 400 [мГн];
C = 10 [мкФ]
Определить и построить i1(t), uC(t), i2(t),.

Домашнее задание №2 по дисциплине «Электротехника»
«Анализ электромагнитных процессов в линейных электрических цепях во временной области»

Задание
1. Для заданной расчётной схемы замещения электрической цепи определить значения токов во всех ветвях и напряжений на всех пассивных элементах, а также их производных для моментов времени t=0- (ННУ), t=0+ (ЗНУ), t→∞ (установившийся режим).
При решении задачи должны быть приведены все необходимые расчётные схемы, записаны все уравнения в общем виде, а также приведены все этапы вычислений.
Результаты расчётов задачи занести в таблицу 1.
2. Для заданной расчётной схемы замещения электрической цепи определить законы изменения во времени токов и напряжений, указанных на схеме стрелками. Построить временные зависимости рассчитанных токов и напряжений.
3. Определить длительность (время) переходного процесса.
Вариант 24в

«Переходные процессы в линейных электрических цепях»
Дана электрическая цепь, в которой происходит коммутация (рис. 4.1- 4.20). В цепи действует постоянная ЭДС Е. Параметры цепи приведены в табл. 4.1. Требуется определить закон изменения во времени тока после коммутации в одной из ветвей схемы или напряжения на каком-либо элементе или между заданными точками схемы.
Задачу следует решать классическим методом расчета. На основании полученного аналитического выражения требуется построить график изменения искомой величины в функции времени на интервале t=0..3/|pmin|, где |pmin| - меньший по модулю корень характеристического уравнения.
Вариант 30
Дано Рисунок 4.17
E=300 В;
L=5 мГн; C=4 мкФ;
R1=15 Ом; R2=20 Ом; R3=5 Ом; R4=20 Ом;
Найти i2(t)-?

Задача 1
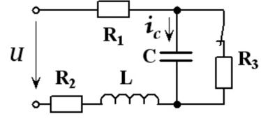
U = 10 [B];
R1 = 5 [Ом]; R2 = 5 [Ом]; R3 = 10 [Ом]
L = 0.1 [Гн]; C = 2•10-3 [Ф]
Определить и построить iC(t)

E = 100 В
R1 = 25 Ом
R2 = 30 Ом
R3 = 75 Ом
L = 0.01 Гн
C = 1 мкФ
При какой индуктивности L переходный процесс приобретает колебательный характер.

Домашнее Задание №2
Определить законы изменения во времени токов и напряжений, указанных на схеме стрелками. Построить временные зависимости рассчитанных токов и напряжений. Определить постоянную времени цепи.
Единицы измерения: e [В], i [А], R [Ом], L [Гн], C [Ф].
Вариант 14

Домашнее задание №2 по дисциплине «Электротехника»
«Анализ электромагнитных процессов в линейных электрических цепях во временной области»

Задание
1. Для заданной расчётной схемы замещения электрической цепи определить значения токов во всех ветвях и напряжений на всех пассивных элементах, а также их производных для моментов времени t=0- (ННУ), t=0+ (ЗНУ), t→∞ (установившийся режим).
При решении задачи должны быть приведены все необходимые расчётные схемы, записаны все уравнения в общем виде, а также приведены все этапы вычислений.
Результаты расчётов задачи занести в таблицу 1.
2. Для заданной расчётной схемы замещения электрической цепи определить законы изменения во времени токов и напряжений, указанных на схеме стрелками. Построить временные зависимости рассчитанных токов и напряжений.
3. Определить длительность (время) переходного процесса.
Вариант 22в

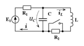
Задача 1
Е1 = 240 [B];
R1 = 4 [Ом]; R2 = 8 [Ом
] L = 0.25 [Гн]; C = 2.5•10-3 [Ф]
Рассчитать токи и напряжения указанные на схеме. Построить графики.