Артикул №1169611
Технические дисциплины >
  Теоретические основы электротехники (ТОЭ) >
  Переходные процессы >
  постоянный ток >
  второго рода

(Добавлено: 02.11.2025)
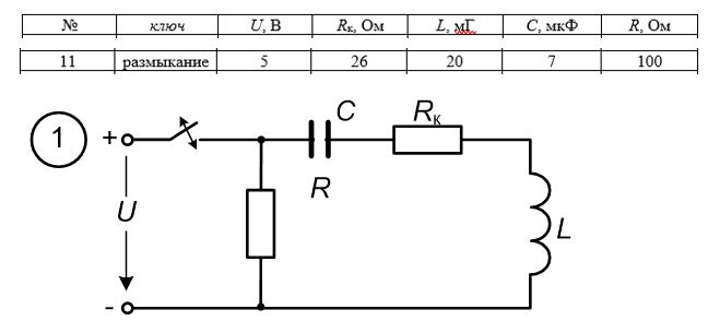
РАСЧЁТ ПЕРЕХОДНОГО ПРОЦЕССА В ЛИНЕЙНОЙ ЭЛЕКТРИЧЕСКОЙ ЦЕПИ
В электрической цепи с известными параметрами (см. рис. к задаче) при неизменном приложенном напряжении происходит замыкание/размыкание ключа. Внутреннее сопротивление источника напряжения равно нулю.
Для заданного варианта схемы и параметров цепи требуется:
1. Приняв, что ключ замыкается/размыкается в момент времени t=0, рассчитать и свести в таблицу значения токов во всех ветвях и напряжений на индуктивности и конденсаторе для следующих моментов времени: t=-0 (докоммутационный режим), t=+0 (первый момент после замыкания ключа) и t→∞ (новый установившийся режим).
2. Определить законы изменения тока и напряжения на индуктивности и конденсаторе после замыкания/размыкания ключа классическим методом.
3. Сделать необходимые расчёты и построить графики изменения этих величин.
Вариант 11

<b>РАСЧЁТ ПЕРЕХОДНОГО ПРОЦЕССА В ЛИНЕЙНОЙ ЭЛЕКТРИЧЕСКОЙ ЦЕПИ  </b><br />В электрической цепи с известными параметрами (см. рис. к задаче) при неизменном приложенном напряжении происходит замыкание/размыкание ключа. Внутреннее сопротивление источника напряжения равно нулю. <br />Для заданного варианта схемы и параметров цепи требуется: <br />1. Приняв, что ключ замыкается/размыкается в момент времени t=0, рассчитать и свести в таблицу значения токов во всех ветвях и напряжений на индуктивности и конденсаторе для следующих моментов времени: t=-0 (докоммутационный режим), t=+0 (первый момент после замыкания ключа) и t→∞ (новый установившийся режим).<br />2. Определить законы изменения тока и напряжения на индуктивности и конденсаторе после замыкания/размыкания ключа классическим методом. <br />3. Сделать необходимые расчёты и построить графики изменения этих величин.<br /><b>Вариант 11</b>
Поисковые тэги: Классический метод

Артикул №1169598
Технические дисциплины >
  Теоретические основы электротехники (ТОЭ) >
  Переходные процессы >
  постоянный ток >
  второго рода

(Добавлено: 30.10.2025)
Определить i3(t) после коммутации.
Определить i3(t) после коммутации.
Поисковые тэги: Классический метод

Артикул №1169582
Технические дисциплины >
  Теоретические основы электротехники (ТОЭ) >
  Переходные процессы >
  постоянный ток >
  первого рода

(Добавлено: 28.10.2025)
Этапы расчета переходных процессов операторным методом. Определить uC(t), если U = 10 В, R1 = R2 = 10 Ом, C = 1 мкФ.
Этапы расчета переходных процессов операторным методом. Определить uC(t), если U = 10 В, R1 = R2 = 10 Ом, C = 1 мкФ.
Поисковые тэги: Операторный метод

Артикул №1169579
Технические дисциплины >
  Теоретические основы электротехники (ТОЭ) >
  Переходные процессы

(Добавлено: 28.10.2025)
Схема цепи представлена на рисунке. Параметры цепи: R1 = 10 кОм, R2 = 10 кОм, С = 2 нФ. Операторным методом найдите импульсную и переходную характеристики цепи, если входным сигналом является напряжение, выходным – напряжение на конденсаторе.
Схема цепи представлена на рисунке. Параметры цепи: R1 = 10 кОм, R2 = 10 кОм, С = 2 нФ. Операторным методом найдите импульсную и переходную характеристики цепи, если входным сигналом является напряжение, выходным – напряжение на конденсаторе.
Поисковые тэги: Операторный метод, Переходная характеристика

Артикул №1169531
Технические дисциплины >
  Теоретические основы электротехники (ТОЭ) >
  Переходные процессы >
  постоянный ток >
  первого рода

(Добавлено: 13.10.2025)
Определить закон изменения тока i(t).
Определить закон изменения тока i(t).
Поисковые тэги: Классический метод

Артикул №1169530
Технические дисциплины >
  Теоретические основы электротехники (ТОЭ) >
  Переходные процессы >
  постоянный ток >
  второго рода

(Добавлено: 12.10.2025)
Определить производные начальных условий
Определить производные начальных условий


Артикул №1169527
Технические дисциплины >
  Теоретические основы электротехники (ТОЭ) >
  Переходные процессы >
  постоянный ток >
  первого рода

(Добавлено: 09.10.2025)
№30
U = 36 В
R1 = R2 = 6 Ом
L = 2 Гн
UL(t) - ? iL(t) - ?
Решить классическим и операторным методами.
Построить графики i(t), uL(t).

№30 <br />U = 36 В <br />R1 = R2 = 6 Ом <br />L = 2 Гн <br />UL(t) - ? iL(t) - ? <br />Решить классическим и операторным методами. <br />Построить графики i(t), uL(t).
Поисковые тэги: Классический метод

Артикул №1169526
Технические дисциплины >
  Теоретические основы электротехники (ТОЭ) >
  Переходные процессы >
  постоянный ток >
  первого рода

(Добавлено: 09.10.2025)
№18
U = 80 В
R1 = R2 = 5 Ом
C = 5•10-6 Ф
Uc(t) - ? iC(t) - ?
Решить классическим и операторным методами.
Построить графики iC(t), uC(t).

№18 <br />U = 80 В <br />R1 = R2 = 5 Ом <br />C = 5•10<sup>-6</sup> Ф <br />Uc(t) - ? iC(t) - ? <br />Решить классическим и операторным методами. <br />Построить графики iC(t), uC(t).
Поисковые тэги: Классический метод

Артикул №1169510
Технические дисциплины >
  Теоретические основы электротехники (ТОЭ) >
  Переходные процессы

(Добавлено: 05.10.2025)
Задача 2.1
Проанализировать схему. На основе анализа построить приближенно график UL(t)

<b>Задача 2.1</b><br />Проанализировать схему. На основе анализа построить  приближенно график UL(t)


Артикул №1169508
Технические дисциплины >
  Теоретические основы электротехники (ТОЭ) >
  Переходные процессы

(Добавлено: 05.10.2025)
Вариант 60
Задача 2.1

Построить приближенно график U2(t).

<b>Вариант 60<br />Задача 2.1</b><br />Построить приближенно график U2(t).


Артикул №1169505
Технические дисциплины >
  Теоретические основы электротехники (ТОЭ) >
  Переходные процессы

(Добавлено: 04.10.2025)
ПЕРЕХОДНЫЕ ПРОЦЕССЫ В ЛИНЕЙНЫХ ЦЕПЯХ С СОСРЕДОТОЧЕННЫМИ ПАРАМЕТРАМИ
Задание:
Цепь содержит источники постоянного напряжения и постоянного тока Е и J, а также источники гармонического напряжения e(t)=Emsin⁡(ωt+φ) и тока J(t)=Jmsin⁡(ωt+φ) c угловой частотой ω = 1000 рад/с.
Предполагается, что до замыкания (или размыкания) первого ключа цепь находится в установившемся режиме.
1. Рассчитать классическим методом ток i1(t) на трех этапах, соответствующих последовательному замыканию (или размыканию) трех ключей.
2. Рассчитать тот же ток i1(t) операторным методом. Для первой и второй коммутации воспользоваться операторным методом для полных составляющих тока, для третьей коммутации применить операторный метод для свободной составляющей тока.
3. Построить график зависимости i(t) для трех этапов.
N = 6

<b>ПЕРЕХОДНЫЕ ПРОЦЕССЫ В ЛИНЕЙНЫХ ЦЕПЯХ С СОСРЕДОТОЧЕННЫМИ ПАРАМЕТРАМИ </b><br />Задание: <br />Цепь содержит источники постоянного напряжения и постоянного тока Е и J, а также источники гармонического напряжения e(t)=E<sub>m</sub>sin⁡(ωt+φ) и тока J(t)=J<sub>m</sub>sin⁡(ωt+φ) c угловой частотой ω = 1000 рад/с. <br />Предполагается, что до замыкания (или размыкания) первого ключа цепь находится в установившемся режиме. <br />1. Рассчитать классическим методом ток i1(t) на трех этапах, соответствующих последовательному замыканию (или размыканию) трех ключей. <br />2. Рассчитать тот же ток i1(t) операторным методом. Для первой и второй коммутации воспользоваться операторным методом для полных составляющих тока, для третьей коммутации применить операторный метод для свободной составляющей тока. <br />3. Построить график зависимости i(t) для трех этапов.<br /><b>N = 6</b>
Поисковые тэги: Операторный метод, Классический метод

Артикул №1169502
Технические дисциплины >
  Теоретические основы электротехники (ТОЭ) >
  Переходные процессы >
  постоянный ток >
  второго рода

(Добавлено: 03.10.2025)
Определить законы изменения во времени токов и напряжений, указанных на схеме стрелками. Построить временные зависимости рассчитанных токов и напряжений. Определить постоянную времени цепи.
Вариант 3

Определить законы изменения во времени токов и напряжений, указанных на схеме стрелками. Построить временные зависимости рассчитанных токов и напряжений. Определить постоянную времени цепи.<br /><b>Вариант 3</b>
Поисковые тэги: Классический метод

Артикул №1169481
Технические дисциплины >
  Теоретические основы электротехники (ТОЭ) >
  Переходные процессы

(Добавлено: 02.10.2025)
Определить и построить переходную характеристику для u2(t)
Определить и построить переходную характеристику для u2(t)
Поисковые тэги: Классический метод

Артикул №1169480
Технические дисциплины >
  Теоретические основы электротехники (ТОЭ) >
  Переходные процессы >
  постоянный ток >
  второго рода

(Добавлено: 02.10.2025)
Задача 1
U = 10 [B];
R1 = 5 [Ом]; R2 = 5 [Ом]; R3 = 10 [Ом]
L = 0.1 [Гн]; C = 2•10-3 [Ф]
Определить и построить iC(t)

<b>Задача 1</b> <br />U = 10 [B];  <br />R1 = 5 [Ом]; R2 = 5 [Ом]; R3 = 10 [Ом] <br />L = 0.1 [Гн]; C = 2•10<sup>-3</sup> [Ф]  <br />Определить и построить iC(t)
Поисковые тэги: Классический метод

Артикул №1169469
Технические дисциплины >
  Теоретические основы электротехники (ТОЭ) >
  Переходные процессы

(Добавлено: 30.09.2025)
Расчет переходных процессов в линейных и нелинейных электрических цепях
Расчет переходных процессов в линейных и нелинейных электрических цепях
Поисковые тэги: Операторный метод, Классический метод, Метод переменных состояния

Артикул №1169462
Технические дисциплины >
  Теоретические основы электротехники (ТОЭ) >
  Переходные процессы >
  постоянный ток >
  второго рода

(Добавлено: 02.10.2025)
Задача 1
Е1 = 100 [B]; E2 = 100 [B];
R1 = 200 [Ом]; R2 = 200 [Ом]
L = 400 [мГн];
C = 10 [мкФ]
Определить и построить i1(t), uC(t), i2(t),.

<b>Задача 1</b> <br />Е1 = 100 [B]; E2 = 100 [B]; <br />R1 = 200 [Ом]; R2 = 200 [Ом] <br />L = 400 [мГн]; <br />C = 10 [мкФ]  <br />Определить и построить i1(t), uC(t), i2(t),.
Поисковые тэги: Классический метод

Артикул №1169461
Технические дисциплины >
  Теоретические основы электротехники (ТОЭ) >
  Переходные процессы

(Добавлено: 30.09.2025)
МОДЕЛИРОВАНИЕ ПЕРЕХОДНОГО ПРОЦЕССА В ПАССИВНОЙ СХЕМЕ МЕТОДОМ КОНЕЧНЫХ РАЗНОСТЕЙ
Вариант 22
Дано
Элемент 1=R2=2 кОм;
Элемент 2=C1=0,01 мкФ;
Элемент 3=R1=1 кОм;
Элемент 4=C3=1 мкФ;
Элемент 5 =R3=5 кОм;
Схема: 2;

МОДЕЛИРОВАНИЕ   ПЕРЕХОДНОГО   ПРОЦЕССА   В ПАССИВНОЙ  СХЕМЕ МЕТОДОМ КОНЕЧНЫХ РАЗНОСТЕЙ<br /><b>Вариант 22</b> <br />Дано <br />Элемент 1=R2=2 кОм; <br />Элемент 2=C1=0,01 мкФ; <br />Элемент 3=R1=1 кОм; <br />Элемент 4=C3=1 мкФ; <br />Элемент 5 =R3=5 кОм; <br />Схема: 2;


Артикул №1169458
Технические дисциплины >
  Теоретические основы электротехники (ТОЭ) >
  Переходные процессы

(Добавлено: 29.09.2025)
Определить и построить переходную характеристику для i2(t)
Определить и построить переходную характеристику для i2(t)
Поисковые тэги: Переходная характеристика

Артикул №1169453
Технические дисциплины >
  Теоретические основы электротехники (ТОЭ) >
  Переходные процессы >
  постоянный ток >
  второго рода

(Добавлено: 26.09.2025)
Задача 1
Е1 = 240 [B];
R1 = 4 [Ом]; R2 = 8 [Ом
] L = 0.25 [Гн]; C = 2.5•10-3 [Ф]
Рассчитать токи и напряжения указанные на схеме. Построить графики.

<b>Задача 1</b> <br />Е1 = 240 [B];  <br />R1 = 4 [Ом]; R2 = 8 [Ом<br />] L = 0.25 [Гн]; C = 2.5•10-3 [Ф]  <br />Рассчитать токи и напряжения указанные на схеме. Построить графики.
Поисковые тэги: Классический метод

Артикул №1169452
Технические дисциплины >
  Теоретические основы электротехники (ТОЭ) >
  Переходные процессы >
  постоянный ток >
  первого рода

(Добавлено: 25.09.2025)
Задача 2
R1 = 100 [Ом]; C = 100 [мкФ]
Определить и построить переходную характеристику по напряжению

<b>Задача 2</b><br />R1 = 100 [Ом]; C = 100 [мкФ]<br />Определить и построить переходную характеристику по напряжению
Поисковые тэги: Классический метод

    Категории
    Заказ решения задач по ТОЭ и ОТЦ
    Заказ решения задач по Теоретической механике

    Студенческая база

    Наш сайт представляет из себя огромную базу выполненных заданий по разым учебным темам - от широкораспространенных до экзотических. Мы стараемся сделать так, чтобы большиство учеников и студентов смогли найти у нас ответы и подсказки на интересующие их темы. Каждый день мы закачиваем несколько десятков, а иногда и сотни новых файлов, а общее количество решений в нашей базе превышает 200000 работ (далеко не все из них еще размещены на сайте, но мы ежедневно над этим работаем). И не забывайте, что в любой большой базе данных умение правильно искать информацию - залог успеха, поэтому обязательно прочитайте раздел «Как искать», что сильно повысит Ваши шансы при поиске нужного решения.

    Мы в социальных сетях:


    Договор оферты