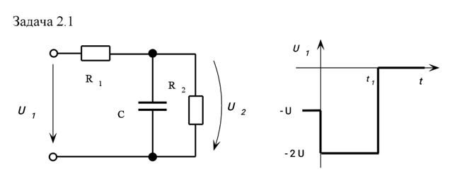
4. Расчет переходных процессов классическим методом (часть курсовой работы). 4.1 Определить и построить переходную и импульсную характеристики цепи четырехполюсника для входного тока и выходного напряжения. Провести моделирование в Мультисим, по результатам которого получить скриншоты экранов виртуального осциллографа для переходных функций, и сравнить результаты с расчетными. 4.2 Рассчитать и построить графики изменения тока iвх и напряжения uвых четырёхполюсника при подключении его к клеммам с напряжением u4(t) в момент времени, когда входное напряжение u3(t)=0, du3/dt > 0 (это условие будет выполнено при равенстве аргумента входного напряжения (ωt + Ψu3) = 2kπ, где k = 0, 1, 2, 3), с учетом запаса энергии в элементах цепи от предыдущего режима работы на интервале t [0+, 2.5T ], где T- период изменения напряжения u4. Сравнить графики iвх(t), uвых(t) с соответствующими в п. 3.2. 4.3. Провести моделирование, подав на четырехполюсник напряжение от генератора двухполярных прямоугольных импульсов. Сравнить результаты моделирования (скриншоты входного тока и выходного напряжения) и расчетные по п.4.2 графики.
 | ПЕРЕХОДНЫЕ ПРОЦЕССЫ В ЛИНЕЙНЫХ ЦЕПЯХ С СОСРЕДОТОЧЕННЫМИ ПАРАМЕТРАМИ Цепь содержит источники постоянного напряжения и постоянного тока Е и J, а также источники гармонического напряжения e(t)=Emsin(ωt+φ) и тока J(t)=Jmsin(ωt+φ) c угловой частотой ω = 1000 рад/с. Предполагается, что до замыкания (или размыкания) первого ключа цепь находится в установившемся режиме. Необходимо: 1. Рассчитать классическим методом ток i1(t) на трех этапах, соответствующих последовательному замыканию (или размыканию) трех ключей. 2. Рассчитать тот же ток i1(t) операторным методом. Для первой и второй коммутации воспользоваться операторным методом для полных составляющих тока, для третьей коммутации применить операторный метод для свободной составляющей тока. 3. Построить график зависимости i(t) для трех этапов. Вариант 8
 |