Артикул: 1169366

Раздел:Технические дисциплины (112863 шт.) >
  Теоретические основы электротехники (ТОЭ) (26508 шт.) >
  Цепи постоянного тока (5254 шт.)

Название или условие:
Вариант 24
Задача 1

Для цепи, представленной на рис. 2.33, Е1 = 150 В; Е2 = 50 В; I2 = 0,5 А; Rвт1 = 3 Ом; Rвт2 = 5 Ом; R1 = 17 Ом; R2 = 95 Ом.
Определить токи I3, I1, сопротивление R3 и режимы работы источников.

Описание:
Подробное решение в WORD

Изображение предварительного просмотра:

<b>Вариант 24<br /> Задача 1</b>  <br />  Для цепи, представленной на рис. 2.33, Е1 = 150 В; Е2 = 50 В; I2 = 0,5 А; Rвт1 = 3 Ом; Rвт2 = 5 Ом; R1 = 17 Ом; R2 = 95 Ом. <br />Определить токи I3, I1, сопротивление R3 и режимы работы источников.

Процесс покупки очень прост и состоит всего из пары действий:
1. После нажатия кнопки «Купить» вы перейдете на сайт платежной системы, где можете выбрать наиболее удобный для вас способ оплаты (банковские карты, электронные деньги, с баланса мобильного телефона, через банкоматы, терминалы, в салонах сотовой связи и множество других способов)
2. После успешной оплаты нажмите ссылку «Вернуться в магазин» и вы снова окажетесь на странице описания задачи, где вместо зеленой кнопки «Купить» будет синяя кнопка «Скачать»
3. Если вы оплатили, но по каким-то причинам не смогли скачать заказ (например, случайно закрылось окно), то просто сообщите нам на почту или в чате артикул задачи, способ и время оплаты и мы отправим вам файл.
Условия доставки:
Получение файла осуществляется самостоятельно по ссылке, которая генерируется после оплаты. В случае технических сбоев или ошибок можно обратиться к администраторам в чате или на электронную почту и файл будет вам отправлен.
Условия отказа от заказа:
Отказаться возможно в случае несоответсвия полученного файла его описанию на странице заказа.
Возврат денежных средств осуществляется администраторами сайта по заявке в чате или на электронной почте в течении суток.

Похожие задания:

К источнику напряжения E = 45 В, Rвт = 3 Ом подключен пассивный приемник R = 12 Ом. Определить ток в цепи, построить вольт-амперную характеристику источника и приемника.Вариант 8
Задача 1

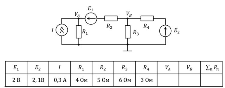
Вычислите ток через источник напряжения и напряжение на источнике тока по принципу суперпозиции. Рассчитайте сумму мощностей источников.

1. Проанализировать структуру электрической цепи
2. Записать уравнения в соответствии с первым законом Кирхгофа
3. Записать уравнения в соответствии со вторым законом Кирхгофа
Вариант 7

Задача 1.2.
В соответствии с номером варианта в табл. 1.2 заданы все э.д.с и сопротивления в схеме. Требуется в зависимости от задания:
а) найти токи в схеме методом двух узлов (м.д.у) или методом наложения (м.н.);
б) найти ток в одной из ветвей схемы методом эквивалентного генератора (м.э.г.);
в) составить уравнения баланса мощностей.
Вариант 15

Для электрической схемы, изображенной на рис. 1.1 – 1.50, по заданным в табл. 1.2 сопротивлением и ЭДС выполнить следующее:
1. Составить систему уравнений, необходимых для определения токов по первому и второму правилам Кирхгофа.
2. Найти и вычислить все токи, пользуясь методом контурных токов.
3. Проверить правильность решения, применив метод узлового напряжения. Предварительно упростить схему, заменив треугольник сопротивлений r4, r5 и r6 эквивалентной звездой. Начертить расчётную схему с эквивалентной звездой и показать на ней токи.
4. Определить ток в резисторе r6 методом эквивалентного генератора.
5. Определить показание вольтметра и составить баланс мощностей для заданной схемы.
6. Построить в масштабе потенциальную диаграмму для внешнего контура.
Вариант 32 схема 16

Для электрической схемы, изображенной на рис. 1.1 – 1.50, по заданным в табл. 1.2 сопротивлением и ЭДС выполнить следующее:
1. Составить систему уравнений, необходимых для определения токов по первому и второму правилам Кирхгофа.
2. Найти и вычислить все токи, пользуясь методом контурных токов.
3. Проверить правильность решения, применив метод узлового напряжения. Предварительно упростить схему, заменив треугольник сопротивлений r4, r5 и r6 эквивалентной звездой. Начертить расчётную схему с эквивалентной звездой и показать на ней токи.
4. Определить ток в резисторе r6 методом эквивалентного генератора.
5. Определить показание вольтметра и составить баланс мощностей для заданной схемы.
6. Построить в масштабе потенциальную диаграмму для внешнего контура.

Индивидуальная самостоятельная работа №2
Тема: Расчёт сложной линейной электрической цепи постоянного тока
Задание:
Для электрической схемы, изображенной на рисунке в соответствии с исходными данными:
1) Составить систему уравнений методом законов Кирхгофа;
2) Определить токи во всех ветвях исходной схемы методом контурных токов;
3) Упростить схему, произведя соответствующие эквивалентные преобразования, и определить токи в ветвях упрощенной схемы методом узлового напряжения;
4) Составить баланс мощностей;
5) Определить показание вольтметра.
Вариант 19

Определить ток I1.
Вариант 5
Рассчитайте параметры эквивалентного источника тока, считая, что нагрузка подключается параллельно резистору R2 (рис. 2). Известно, что Е = 1 В, R1 = R2 = R3 = 1 кОм

Цепь составлена из элемента R1 = 6 Ом, включенного последовательно с R2||R3. К цепи постоянного тока приложено напряжение U = 30 В. Определить ток элемента R1 при R2 = 40 Ом, R3 = 60 Ом.