Артикул: 1168271

Раздел:Технические дисциплины (111768 шт.) >
  Теоретические основы электротехники (ТОЭ) (25566 шт.) >
  Цепи постоянного тока (5038 шт.)

Название или условие:
Задача №1
Законы Кирхгофа

Составить уравнения по закону Кирхгофа, используя метод преобразования схемы в граф. Решить полученную систему численно, используя приведенные ниже значения номиналов элементов.
Решение должно содержать: получение системы уравнений методом графов, решение системы уравнений в математическом пакете, моделирование схемы в MicroCap или иной программе схемотехнического моделирования.
Схема 9

Описание:
Подробное решение в WORD+файл MathCad+ файл LTSpice

Поисковые тэги: Законы Кирхгофа, Spice (LTSpice)

Изображение предварительного просмотра:

<b>Задача №1 <br />Законы Кирхгофа </b><br />Составить уравнения по закону Кирхгофа, используя метод преобразования схемы в граф. Решить полученную систему численно, используя приведенные ниже значения номиналов элементов.  <br />Решение должно содержать: получение системы уравнений методом графов, решение системы уравнений в математическом пакете, моделирование схемы в MicroCap или иной программе схемотехнического моделирования.<br /><b>Схема 9</b>

Процесс покупки очень прост и состоит всего из пары действий:
1. После нажатия кнопки «Купить» вы перейдете на сайт платежной системы, где можете выбрать наиболее удобный для вас способ оплаты (банковские карты, электронные деньги, с баланса мобильного телефона, через банкоматы, терминалы, в салонах сотовой связи и множество других способов)
2. После успешной оплаты нажмите ссылку «Вернуться в магазин» и вы снова окажетесь на странице описания задачи, где вместо зеленой кнопки «Купить» будет синяя кнопка «Скачать»
3. Если вы оплатили, но по каким-то причинам не смогли скачать заказ (например, случайно закрылось окно), то просто сообщите нам на почту или в чате артикул задачи, способ и время оплаты и мы отправим вам файл.
Условия доставки:
Получение файла осуществляется самостоятельно по ссылке, которая генерируется после оплаты. В случае технических сбоев или ошибок можно обратиться к администраторам в чате или на электронную почту и файл будет вам отправлен.
Условия отказа от заказа:
Отказаться возможно в случае несоответсвия полученного файла его описанию на странице заказа.
Возврат денежных средств осуществляется администраторами сайта по заявке в чате или на электронной почте в течении суток.

Похожие задания:

Цепь составлена из элемента R1 = 6 Ом, включенного последовательно с R2||R3. К цепи постоянного тока приложено напряжение U = 30 В. Определить ток элемента R1 при R2 = 40 Ом, R3 = 60 Ом.Рассчитайте токи в ветвях схемы методом свертывания, если R1 = 5 Ом, R2 = 10 Ом, R3 = 5 Ом, R4 = 5 Ом, E = 15 В.
МЕТОДЫ РАСЧЕТА СЛОЖНЫХ РАЗВЕТВЛЕННЫХ ЭЛЕКТРИЧЕСКИХ ЦЕПЕЙ
Для электрической схемы, соответствующей номеру варианта, выполнить следующее:
1. Определить токи во всех ветвях схемы на основании законов Кирхгофа.
2. Определить токи во всех ветвях схемы методом контурных токов.
3. Определить токи во всех ветвях схемы методом узловых потенциалов.
4. Результаты расчета токов, проведенного двумя методами, свести в таблицу и сравнить между собой.
5. Составить баланс мощности в преобразованной схеме, вычислив суммарную мощность источников и суммарную мощность нагрузок (сопротивлений).
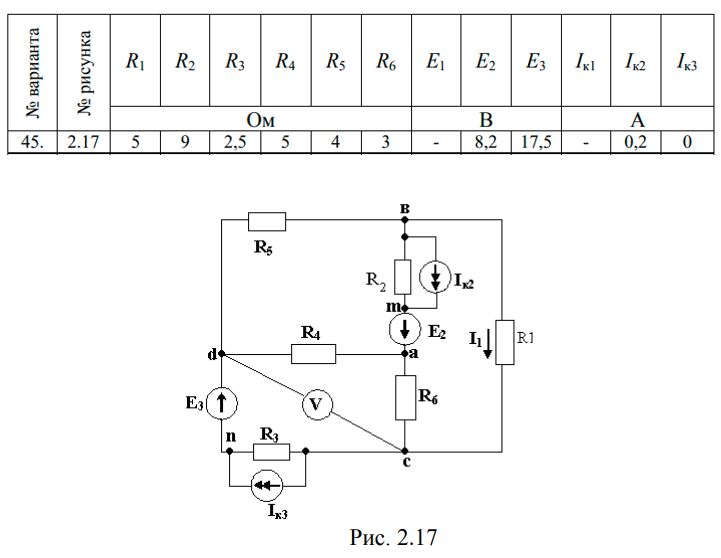
Вариант 45

Схема цепи постоянного тока представлена на рисунке. Напряжение на источнике ЭДС равно 1 В, ток источника тока равен 1 мА, сопротивления всех резисторов равны по 1 кОм.
1. Найдите все токи и напряжения методом узловых потенциалов.
2. Найдите параметры эквивалентного источника ЭДС по теореме Тевенина, если резистором нагрузки является R4.

1. Составить систему уравнений по законам Кирхгофа для определения токов в ветвях схемы. Рассчитать токи.
2. Рассчитать токи в ветвях схемы с помощью метода узловых потенциалов (МУП) или методом контурных токов (МКТ)
3. Составить баланс мощностей.
Вариант 18В
Дано: R2 = 15 Ом, R3 = 60 Ом, R4 = 40 Ом, R5 = 40 Ом, R6 = 40 Ом.
J = 1.2 A, E1 = 60 B, E4 = 18 B.

Определить ток I1.
Вариант 8
Задача 2
Для указанной ниже схемы цепи вычислите параметры эквивалентной схемы по теореме Нортона. Вычислите ток через нагрузку по правилу делителя. Вычислите отношение мощности на сопротивлении нагрузки к мощности источника.

1. Проанализировать структуру электрической цепи
2. Определить эквивалентное сопротивление
Вариант 8
R1 = 3 Ом, R2 = 6 Ом, R3 = 6 Ом, R4 = 3 Ом, R5 = ---, R6 = 4 Ом.

Расчётно-графическая работа №1
Тема: Расчёт сложной цепи постоянного тока
.
Задание
Для электрической схемы, указанной в варианте, но заданным сопротивлениям и ЭДС, выполнить следующее:
1. Составить систему уравнений, необходимых для определения токов по законам Кирхгофа.
2. Определить все токи в схеме методом контурных токов.
3. Проверить правильность решения, применив метод узловых потенциалов.
4. Определить ток в ветви с резистором r6 методом эквивалентного генератора.
5. Составить баланс мощностей для заданной схемы.
Вариант 1

Вариант 8
Задача 1

Вычислите ток через источник напряжения и напряжение на источнике тока по принципу суперпозиции. Рассчитайте сумму мощностей источников.