Артикул: 1156624

Раздел:Технические дисциплины (110409 шт.) >
  Теоретические основы электротехники (ТОЭ) (24525 шт.) >
  Цепи постоянного тока (4849 шт.)

Название или условие:
1.1. ЗАДАНИЕ ПО РАСЧЕТУ РЕЖИМА ЦЕПИ ПРИ ПОСТОЯННОМ ВОЗДЕЙСТВИИ
Дано:
1) схема электрической цепи в соответствии с индивидуальным вариантом (табл. 1.1), содержащая только идеальные элементы;
2) параметры элементов в соответствии с групповым вариантом (табл. 1.2).
Требуется:
1) построить резистивную схему замещения по постоянному воздействию;
2) получить любым методом символьную формулу (последовательность формул) для выходной величины напряжения UH или тока IH, указанных на схеме, найти численное значение UH или IH при заданных значениях параметров элементов;
3) получить символьные выражения UH или IH при RH=0 и RH→∞, найти соответствующие численные значения;
4) записать функцию мощности PH на нагрузке RH, рассчитать численное значение РН при заданных параметрах элементов;
5) построить график РН = f(RH).
Индивидуальный вариант 15
Групповой вариант 4

Дано: R1 = 350 Ом, R2=R3 = 250 Ом, Rн = 200 Ом
J1 = 0.5 A, J2 = 0.4 A

Описание:
Подробное решение в WORD+файл MathCad

Изображение предварительного просмотра:

<b>1.1. ЗАДАНИЕ ПО РАСЧЕТУ РЕЖИМА ЦЕПИ ПРИ ПОСТОЯННОМ ВОЗДЕЙСТВИИ </b> <br />Дано:<br />  1) схема электрической цепи в соответствии с индивидуальным вариантом (табл. 1.1), содержащая только идеальные элементы;  <br />2) параметры элементов в соответствии с групповым вариантом (табл. 1.2).  <br />Требуется:  <br />1) построить резистивную схему замещения по постоянному воздействию;  <br />2) получить любым методом символьную формулу (последовательность формул) для выходной величины напряжения UH или тока IH, указанных на схеме, найти численное значение UH или IH при заданных значениях параметров элементов;  <br />3) получить символьные выражения UH или IH при RH=0 и RH→∞, найти соответствующие численные значения;  <br />4) записать функцию мощности PH на нагрузке RH, рассчитать численное значение РН при заданных параметрах элементов;  <br />5) построить график РН = f(RH).    <br /><b>Индивидуальный вариант 15 <br />Групповой вариант 4  </b>  <br />Дано:  R1 = 350 Ом, R2=R3 = 250 Ом, Rн = 200 Ом  <br />J1 = 0.5 A, J2 = 0.4 A

Процесс покупки очень прост и состоит всего из пары действий:
1. После нажатия кнопки «Купить» вы перейдете на сайт платежной системы, где можете выбрать наиболее удобный для вас способ оплаты (банковские карты, электронные деньги, с баланса мобильного телефона, через банкоматы, терминалы, в салонах сотовой связи и множество других способов)
2. После успешной оплаты нажмите ссылку «Вернуться в магазин» и вы снова окажетесь на странице описания задачи, где вместо зеленой кнопки «Купить» будет синяя кнопка «Скачать»
3. Если вы оплатили, но по каким-то причинам не смогли скачать заказ (например, случайно закрылось окно), то просто сообщите нам на почту или в чате артикул задачи, способ и время оплаты и мы отправим вам файл.
Условия доставки:
Получение файла осуществляется самостоятельно по ссылке, которая генерируется после оплаты. В случае технических сбоев или ошибок можно обратиться к администраторам в чате или на электронную почту и файл будет вам отправлен.
Условия отказа от заказа:
Отказаться возможно в случае несоответсвия полученного файла его описанию на странице заказа.
Возврат денежных средств осуществляется администраторами сайта по заявке в чате или на электронной почте в течении суток.

Похожие задания:

Вариант 5
Рассчитайте параметры эквивалентного источника тока, считая, что нагрузка подключается параллельно резистору R2 (рис. 2). Известно, что Е = 1 В, R1 = R2 = R3 = 1 кОм

Задача №2
Электрическая цепь находится в режиме постоянного тока. Провести анализ цепи относительно тока, положительное направление которого задано на рисунке и отыскать мощность, рассеиваемую на этой ветви. Методы анализа выбираются в соответствии с номером подварианта:
а) метод узловых потенциалов
б) метод контурных токов
в) метод эквивалентного генератора (теорема Тевенина)
г) метод наложения
Вариант 4 Подвариант 3

Вариант 24
Задача 1

Для цепи, представленной на рис. 2.33, Е1 = 150 В; Е2 = 50 В; I2 = 0,5 А; Rвт1 = 3 Ом; Rвт2 = 5 Ом; R1 = 17 Ом; R2 = 95 Ом.
Определить токи I3, I1, сопротивление R3 и режимы работы источников.

К источнику напряжения E = 45 В, Rвт = 3 Ом подключен пассивный приемник R = 12 Ом. Определить ток в цепи, построить вольт-амперную характеристику источника и приемника.
Вариант 8
Задача 2
Для указанной ниже схемы цепи вычислите параметры эквивалентной схемы по теореме Нортона. Вычислите ток через нагрузку по правилу делителя. Вычислите отношение мощности на сопротивлении нагрузки к мощности источника.

Рассчитайте токи в ветвях схемы методом свертывания, если R1 = 5 Ом, R2 = 10 Ом, R3 = 5 Ом, R4 = 5 Ом, E = 15 В.
Вариант 8
Задача 3.

Запишите систему уравнений по методу узловых напряжений для двух узловых напряжений, указанных на схеме ниже. Вычислите значения узловых напряжений, решив систему уравнений. Проверьте выполнение баланса мощности, определив сумму мощностей всех элементов цепи.

Определить ток I1.
Схема цепи представлена на рис. 2. Задайте положительные направления токов ветвей и составьте уравнения цепи по I и II законам Кирхгофа. Известно, что показание вольтметра равно нулю. Сопротивления резисторов R1, R2, R3 и значение тока источника J приведены в таблице индивидуальных заданий. Найдите значение ЭДС источника Е. Проверьте баланс мощностей.
Вариант 15
Дано: R1 = 2 кОм, R2 = 2 кОм, R3 = 6 кОм, J = 2 мА

Для электрической схемы, изображенной на рисунках 1.1 – 1.50, по заданным в таблице 1.1 сопротивлениям и ЭДС выполнить следующее:
1) составить систему уравнений, необходимых для определения токов по первому и второму законам Кирхгофа, и найти токи в ветвях;
2) найти все токи, используя метод контурных токов;
3) проверить правильность решения, применив метод узловых потенциалов;
4) определить показания вольтметра и составить баланс мощностей для заданной схемы;
5) построить в масштабе потенциальную диаграмму для внешнего контура.
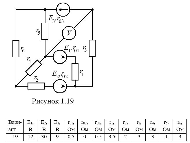
Вариант 19