Артикул: 1009273

Раздел:Технические дисциплины (57837 шт.) >
  Теоретические основы электротехники (ТОЭ) (5301 шт.) >
  Цепи переменного синусоидального тока (1534 шт.)

Название или условие:
Часть 1.
– Определить выражение для системной передаточной функции H(p). По H(p) восстановить дифференциальное уравнение «вход-выход».
– Определить и построить импульсную характеристику линейной цепи h(t) как обратное преобразование Лапласа от H(p). Определить постоянную времени τ.
– Определить и построить переходную характеристику линейной цепи g(t) как обратное преобразование Лапласа от H(p)/p.
– Сделать проверку в математическом пакете Mathcad (обоих).
Часть 2.
– Определить комплексный коэффициент передачи (КЧХ) линейной цепи. Записать выражение для амплитудно-частотной (АЧХ) и фазо-частотной (ФЧХ) характеристик линейной цепи. Построить графики. По графикам АЧХ и ФЧХ определить граничную частоту ωгр. Сравнить полученное значение с величиной 1/τ .
– Определить КЧХ, подставив p = jω в выражение для системной функции H(p).
– Определить значения АЧХ и ФЧХ на частотах (0,2·ωгр), ωгр, (5·ωгр).

Описание:
9 страниц подробного решения

Поисковые тэги: Преобразование Лапласа, Переходная характеристика

Изображение предварительного просмотра:

Часть 1. <br />– Определить выражение для системной передаточной функции H(p). По H(p) восстановить дифференциальное уравнение «вход-выход». <br />– Определить и построить импульсную характеристику линейной цепи h(t) как обратное преобразование Лапласа от H(p). Определить постоянную времени τ.<br />  – Определить и построить переходную характеристику линейной цепи g(t) как обратное преобразование Лапласа от H(p)/p. <br /> – Сделать проверку в математическом пакете Mathcad (обоих).<br />Часть 2. <br />– Определить комплексный коэффициент передачи (КЧХ) линейной цепи. Записать выражение для амплитудно-частотной (АЧХ) и фазо-частотной (ФЧХ) характеристик линейной цепи. Построить графики. По графикам АЧХ и ФЧХ определить граничную частоту ω<sub>гр</sub>. Сравнить полученное значение с величиной 1/τ .<br /> – Определить КЧХ, подставив p = jω в выражение для системной функции H(p). <br />– Определить значения АЧХ и ФЧХ на частотах (0,2·ω<sub>гр</sub>), ω<sub>гр</sub>, (5·ω<sub>гр</sub>).

Процесс покупки очень прост и состоит всего из пары действий:
1. После нажатия кнопки «Купить» вы перейдете на сайт платежной системы, где можете выбрать наиболее удобный для вас способ оплаты (банковские карты, электронные деньги, с баланса мобильного телефона, через банкоматы, терминалы, в салонах сотовой связи и множество других способов)
2. После успешной оплаты нажмите ссылку «Вернуться в магазин» и вы снова окажетесь на странице описания задачи, где вместо зеленой кнопки «Купить» будет синяя кнопка «Скачать»
3. Если вы оплатили, но по каким-то причинам не смогли скачать заказ (например, случайно закрылось окно), то просто сообщите нам на почту или в чате артикул задачи, способ и время оплаты и мы отправим вам файл.
Условия доставки:
Получение файла осуществляется самостоятельно по ссылке, которая генерируется после оплаты. В случае технических сбоев или ошибок можно обратиться к администраторам в чате или на электронную почту и файл будет вам отправлен.
Условия отказа от заказа:
Отказаться возможно в случае несоответсвия полученного файла его описанию на странице заказа.
Возврат денежных средств осуществляется администраторами сайта по заявке в чате или на электронной почте в течении суток.

Похожие задания:

Записать в комплексной форме заданное синусоидальное напряжение
u(t)=141sin(1000t+90°) В.
Вариант 16 Задача 2
U = 100√2sin(500t)
С = 200 [мкФ]; R = 15 [Ом]; L1 = 16.67 [мГн]; L2 = 0.02 [Гн]
Определить i(t), показания амперметра. Составить баланс мощностей.

Задача 2
В схеме резонанс. R = 5; XL = 5; I2 = 8.
Определить Xc, I, U.

МЕТОДЫ АНАЛИЗА ЛИНЕЙНЫХ РАЗВЕТВЛЕНЫХ ЭЛЕКТРИЧЕСКИХ ЦЕПЕЙ ПРИ СИНУСОИДАЛЬНЫХ ВОЗДЕЙСТВИЯХ
Рассчитать токи в заданной схеме методом контурных токов или методом узловых потенциалов и неизвестный ток в одной из ветвей методом эквивалентного источника. Построить векторную диаграмму токов для одного из узлов. Определить показания приборов. Составить уравнение баланса мощностей. Рассчитать комплексную мощность цепи.
В ответе указать значения токов в комплексной и во временной форме.
Вариант 17

Расчётно-графическая работа №2
Тема: Расчёт цепи переменного тока

Задание
1. Рассчитать цепи, схема которой изображена на рисунке, т.е. найти токи, напряжения и мощности всех участков.
Расчёт вести двумя методами:
а) без применения комплексных чисел
б) с применением комплексных чисел.
2. Проверить баланс мощностей цепи.
3. На отдельном листе формата А3:
а) вычертить (по требованию ГОСТа) цепь, соответствующую варианту, указав все r, L, C. Указать все токи.
б) Начертить сводную таблицу полученных результатов для каждого участка и метода.
в) Построить топографическую векторную диаграмму напряжений и токов в цепи без применения комплексных чисел.
Вариант 1

ДОМАШНЕЕ ЗАДАНИЕ №1
МЕТОДЫ АНАЛИЗА ЛИНЕЙНЫХ РАЗВЕТВЛЕНЫХ ЭЛЕКТРИЧЕСКИХ ЦЕПЕЙ ПРИ СИНУСОИДАЛЬНЫХ ВОЗДЕЙСТВИЯХ

1. Записать систему уравнений по первому и второму законам Кирхгофа в комплексной форме (НЕ РЕШАЯ) для заданной цепи.
2. Рассчитать токи в заданной цепи методом контурных токов или методом узловых потенциалов.
3. Рассчитать неизвестный ток в одной из ветвей методом эквивалентного источника.
4. Построить векторную диаграмму токов для одного из узлов.
5. Определить показания приборов.
6. Составить уравнение баланса мощностей. Рассчитать комплексную мощность цепи для источников и нагрузок.
7. В ответе указать значения токов в комплексной и во временной форме.
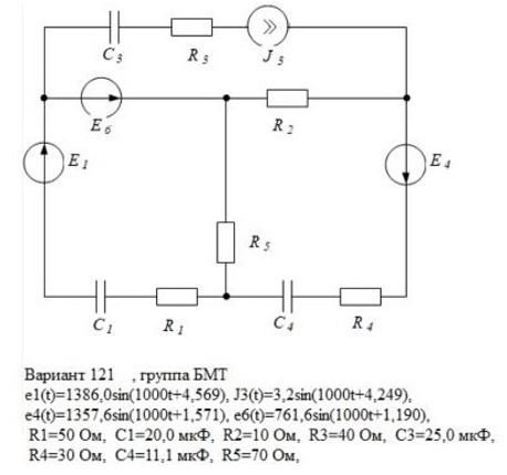
Вариант 121

ДОМАШНЕЕ ЗАДАНИЕ №1
МЕТОДЫ АНАЛИЗА ЛИНЕЙНЫХ РАЗВЕТВЛЕНЫХ ЭЛЕКТРИЧЕСКИХ ЦЕПЕЙ ПРИ СИНУСОИДАЛЬНЫХ ВОЗДЕЙСТВИЯХ

1. Записать систему уравнений по первому и второму законам Кирхгофа в комплексной форме (НЕ РЕШАЯ) для заданной цепи.
2. Рассчитать токи в заданной цепи методом контурных токов или методом узловых потенциалов.
3. Рассчитать неизвестный ток в одной из ветвей методом эквивалентного источника.
4. Построить векторную диаграмму токов для одного из узлов.
5. Определить показания приборов.
6. Составить уравнение баланса мощностей. Рассчитать комплексную мощность цепи для источников и нагрузок.
7. В ответе указать значения токов в комплексной и во временной форме.
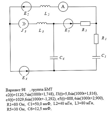
Вариант 98

КОНТРОЛЬНАЯ РАБОТА №2
Линейные электрические цепи переменного тока
Для электрической схемы, изображенной на рисунках 2.1 – 2.15, по заданным в таблице 2 параметрам и ЭДС источника:
1) записать систему уравнений по законам Кирхгофа в дифференциальной форме;
2) определить токи во всех ветвях цепи по законам Кирхгофа в комплексной форме;
3) определить токи в ветвях по методу двух узлов. Сравнить полученные значения со значениями, рассчитанными в пункте 2;
4) составить баланс активной, реактивной и комплекса полной мощностей;
5) определить показание вольтметра и активную мощность, измеряемую ваттметром;
6) построить в масштабе на комплексной плоскости топографическую диаграмму токов и напряжений.
Вариант 19

Задача 2.1. Дана разветвленная цепь синусоидального тока. Для заданных параметров требуется:
Вариант 7

Задача 2
u=46.3 sin⁡(103t+45° ); R = 20; L = 20 мГн; C = 100 мкФ;
Определить i(t), показание амперметра. Составить баланс мощностей.